Москва: +7 (495) 134-29-44
Санкт-Петербург: +7 (812) 213-07-12
Заказать звонок
МЕНЮКАТАЛОГ
OOO "ЮНИТРЕКС" - официальный дилер оборудования BIAMP
0Корзина пуста

PM1122 BIAMP Стерео микшер-предусилитель

PM1122 Стерео микшер-предусилитель
Стерео микшер-предусилитель PM1122
Артикул: bp83
Розничная цена:По запросу

Доставка по всей России со склада в Москве

Остались вопросы? Свяжитесь с нами:

+7 (495) 134-29-44
info@biamp-audio.ru

BIAMP PM1122 - это многофункциональный двухзональный предусилитель, который прекрасно подходит для микширования различных источников звука. Предусилитель имеет 2 стереовыхода зон и до 10 входов (6 микрофонных и 4 линейных). Настенная панель управления позволяет удалённо выбирать источник сигнала, контролировать уровень громкости музыки и микса, подключение к предусилителю с помощью UTP CAT5 кабеля. Также возможно удалённое управление предусилителем посредством цифрового блока управления PM1122-INT с ПК. С целью дополнительной защиты настроек PM1122 в комплект поставки входят металлические крышки на кнопки.  

Ключевые особенности и преимущества:

  • 5 микрофонныx/линейныx входов с регуляторами входного уровня и эквалайзером;
  • 4 линейных стерео входа;
  • 1 симметричный приоритетный вход;
  • Вход Link input для подачи суммы с микрофонных входов слинкованного PM1122;
  • 3 уровня приоритета для маршрутизации аудиосигнала;
  • Линейные 2 стереовыхода зон с переключателем stereo/mono;
  • Выход Mic mix output для подачи суммы с микрофонных входов;
  • Удалённый контроль с помощью настенных панелей управления PM1122R и PM1122RL, беспроводное подключение к PM1122-INT и PM1122W для удалённого управления с ПК.

Подробное описание

Выходные соединения зон 1 и 2

Выходной коммутационный блок звукового предусилителя BIAMP PM1122

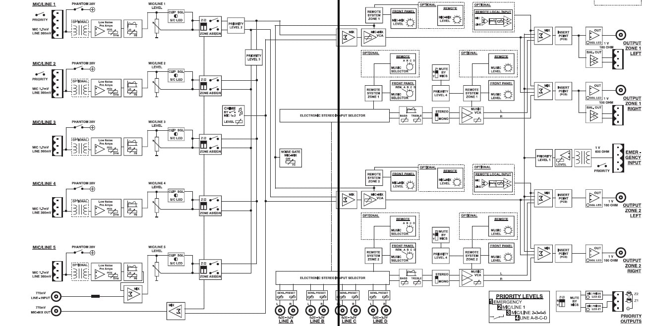
Схема коммутации

Схема коммутации звукового предусилителя BIAMP PM1122

Принципиальная схема

Принципиальная схема звукового предусилителя BIAMP PM1122

Печатная плата

Печатная плата звукового предусилителя BIAMP PM1122


Тип 2 зонный предусилитель
Частотный диапазон 20 Гц - 22 кГц
Фантомное питание 20 В
Электропитание 115 - 230 В AC
Потребляемая мощность 24 Вт
Входы:
Приоритетный Активация при замыкании управляющего контакта на землю
Микрофонные MIC/LINE 1-5 симметричные
Линейные 4 (A, B, C, D) переключаемые, режимы стерео/моно
Выходы:
Линейные 2 х RCA стерео/моно (переключаемые)
Дополнительный 1 симметричный
Управление:
Проводные панели управления PM1122R, PM1122RL
Безпроводные панели управления PM1122W через (PM1122INT+PM1122WR)
Регуляторы:
Микрофонных входов эквалайзер, регулятор входной чувствительности
Линейных входов регулятор входной чувствительности
Выходов зон регулятор выходного уровня, эквалайзер, переключатель уровня приоритета
Физические характеристики:
Габариты 483 х 249 х 44 мм
Вес 3.20 кг
Блок питания 1 шт.
19" рековые крепления 2 шт.

Дополнительно

Настенная панель управления предусилителем PM1122
Управление предусилителем PM1122; подключение через RJ45 кабелем CAT5 длиной до 300 м; линейный стереовход 3.5 мм mini jack; микрофонный вход 1хXLR с возможностью подачи фантомного питания; настройка громкости и тона; фантомное питание от предусилителя; индикация; лицевая панель из матового алюминия;115х115х40 мм; 0.25 кг; врезной или накладной монтаж.
9 192 руб.
-+
В корзину
Настенная панель управления предусилителем PM1122
Управление предусилителем PM1122; подключение через RJ45 кабелем CAT5 длиной до 300 м; настройка громкости и тона; фантомное питание от предусилителя; индикация; лицевая панель из матового алюминия;115х80х40 мм; 0.25 кг; врезной или накладной монтаж.
По запросу
Настенная панель управления предусилителем ZONE4
Управление предусилителем ZONE4; подключение через RJ45 кабелем CAT5 длиной до 100 м; настройка громкости и тона; фантомное питание от предусилителя; индикация; лицевая панель из матового алюминия;115х80х40 мм; 0.25 кг; врезной или накладной монтаж.
24 567 руб.
-+
В корзину
Периферийный блок
Конвертер Ethernet - RS232; выход 1 x D89 (папа); DHCP; 10/100 Мбит/с; RJ45; 5 - 16 В, 300 мA; 82.5 х 57.2 х 31.8 мм; 92 г.
По запросу

Мы ценим вашу конфиденциальность

Мы используем файлы cookie, чтобы улучшить работу сайта, показывать персонализированную рекламу или контент и анализировать посещаемость. Продолжая использовать сайт, вы соглашаетесь на использование файлов cookie. Политика использования файлов cookie